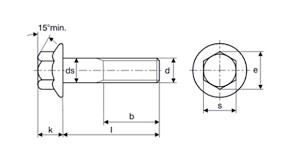
| Size | Length | Standards | Grades | |
|---|---|---|---|---|
![]() |
FROM M6 – UPTO M16 (FROM 1/4″ – UPTO 5/8″) | UPTO 150 MM (6″) | DIN 931, 933, 960, 961 ASME B 18.2.1, ASTM A307, ISO 4014, ISO 4017 | 4.8, 5.6, 5.8, 6.8, 8.8, 10.9, 12.9, B7, B7M, L7 |







